Ilc srl 70.716.4.SG Lubrifiere minimă

70.716.4.SG

Obțineți o ofertă

Stare: Nou (Nefolosit)

Pret: la cerere

Livrare: La cerere

qr_code
Pe piața din România , puteți achiziționa ILC Srl  70.716.4.SG cu prețuri competitive și opțiuni de livrare rapidă prin intermediul echipei noastre de vânzări cu experiență. Dacă trebuie să cumpărați 70.716.4.SG , sunteți pe site-ul potrivit. Prin intermediul rețelei noastre extinse de vânzări, puteți furniza 70.716.4.SG și produse de la intreaga marcă ILC Srl de la compania noastră. Folosirea serviciilor noastre profesionale vă va ajuta să fiți mai competitiv pe piață și vă va economisi timp. Scopul nostru este să reducem costurile de producție pentru componentele industriale sau piesele de schimb și, de asemenea, să economisim timpul dumneavoastra. Ne face plăcere să vă trimitem o ofertă dacă completați formularul de contact de mai jos sau ne trimiteți un e-mail cu privire la cererea dvs.

img

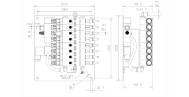
POMPE DE LA 1 LA 2
5M LINII DE ALIMENTARE COAXIALE LA FIECARE IEȘIRE (6 MM - 2,5 MM)
SOLENOIDA TREBUIE COMANDATĂ SEPARAT COD 14.660.0 REGULATOR DE AER REDUCTOR DE AER
+ ECARTAM
ENT

Caracteristici

Producător ILC Srl
Țară
Numărul piesei 70.716.4.SG

Specificații tehnice

Cataloage